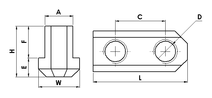
適用: 一般夾頭
>T-15 樣式: 雙層
T-21 樣式: 單孔
| 型式 | A | B | C | D | L | W | H | E | F |
|---|---|---|---|---|---|---|---|---|---|
| T-04 | 10 | - | 14 | M8 | 26 | 15 | 15 | 5.5 | 9.5 |
| T-05 | 10 | - | 14 | M8 | 26 | 15 | 15 | 5.5 | 9.5 |
| T-06 | 12 | - | 20 | M10 | 36 | 17.5 | 18.5 | 7.5 | 11 |
| T-08 | 14 | - | 25 | M12 | 47 | 20.5 | 20.5 | 8.5 | 12 |
| T-10 | 16 | - | 30 | M12 | 51 | 22.5 | 21.5 | 8.5 | 13 |
| T-12 | 21 | - | 30 | M16 | 55 | 29.5 | 28 | 11.5 | 16.5 |
| T-15 (18) | 22 | 24 | 43 | M20 | 80 | 33.5 | 45.5 | 16.5 | 29 |
| T-21 (24) | 25 | - | - | M20 | 46 | 37.5 | 45 | 19 | 26 |
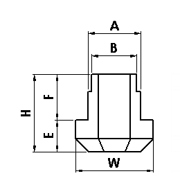
適用: 08"油壓夾頭 使用 06"油壓生爪。
| 型式 | 夾頭 | 生爪 | A | B | C | D | L | W | H | E | F |
|---|---|---|---|---|---|---|---|---|---|---|---|
| T-0605 | 06" | 05" | 12 | 10 | 14 | M8 | 27 | 17.5 | 18.5 | 7.5 | 11 |
| T-0806 | 08" | 06" | 14 | 12 | 20 | M10 | 36 | 20.5 | 20.5 | 8.5 | 12 |
| T-1008 | 10" | 08" | 16 | 14 | 25 | M12 | 47 | 22.5 | 21.5 | 8.5 | 13 |
| T-1210 | 12" | 10" | 21 | 16 | 30 | M12 | 51 | 29.5 | 28 | 11.5 | 16.5 |
適用: 08"油壓夾頭 使用 10"油壓生爪。
| 型式 | 夾頭 | 生爪 | A | B | C | D | L | W | H | E | F |
|---|---|---|---|---|---|---|---|---|---|---|---|
| T-0608 | 06" | 08" | 12 | 14 | 25 | M10 | 41 | 17.5 | 18.5 | 7.5 | 11 |
| T-0810 | 08" | 10" | 14 | 16 | 30 | M12 | 51 | 20.5 | 20.5 | 8.5 | 12 |
| T-1012 | 10" | 12" | 16 | 21 | 30 | M12 | 51 | 22.5 | 21.5 | 8.5 | 13 |
適用: 北川 中實夾頭
TB-15 樣式: 單孔
| 型式 | A | B | C | D | L | W | H | E | F |
|---|---|---|---|---|---|---|---|---|---|
| TB-06 | 12 | - | 20 | M10 | 36.5 | 17.5 | 22 | 7 | 15 |
| TB-08 | 14 | - | 25 | M12 | 48 | 20.5 | 26 | 10 | 16 |
| TB-10 | 16 | - | 30 | M12 | 55 | 22.5 | 26 | 10 | 16 |
| TB-12 | 18 | - | 30 | M14 | 55.5 | 26.5 | 33.5 | 13.5 | 20 |
| TB-15 | 25.5 | - | - | M20 | 42 | 35 | 39.5 | 19 | 20.5 |